直排筛
商品详情
性能特点
技术参数
ZPS直排式振动筛的产品简介:
直排筛是XZS系列旋振筛的特殊设计改进形式,它可以根据处理量大小而选择采用双振动电机或者单振动电机,小型筛机一般都用单台振动电机,当要求物料处理量比较大的筛机时,将两台型号相同的卧式振动电机对称安装在筛机两侧,通过调整它们的激振力大小来改变物料在筛面上的运动轨迹,进而达到筛分各种物料的目的.直排筛主要用于粉体生产线工艺流程中的粉体的除杂,筛松作用。
直排筛适用行业范围
ZPS直排式振动筛多用于面粉、淀粉、洗衣粉、金属粉、添加剂、化工、非矿等行业的颗粒粉末的粗略筛分、精密筛分,处理量大、易与生产线结合.可在600MM至1800MM之间选择. 直排式振动筛的出料口设计在筛机底部,有利于提高排料速度和排料量,适用于物料除杂质等粗略筛分的工艺过程中.根据使用需要可以制作成座式结构和吊挂式结构.
直排式振动筛/直排筛特点
全不锈钢设计,外型美观耐用.
体积小,不占空间,移动方便.
耗能低,效率高.
拆装方便,内外部易清理,无卫生死角,符合食品级GMP规范.
自动化作业,可24小时连续生产
超低静音设计.
密封严谨,液体不泄漏,粉尘不飞扬。
可单层、多层使用,一次多级筛选
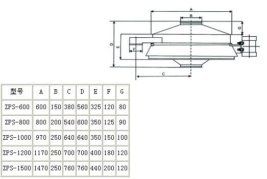
ZPS直排式振动筛的技术参数

PS直排筛标准机型尺寸图表:(单位:mm)


