GZ电磁振动给料机

GZ电磁振动给料机

商品详情

性能特点

技术参数

Gz系列电磁振动给料机把块状、颗粒状及粉状物料,从贮料仓库或漏斗中均匀连续或定量的给到受料装置中可无级调节给料量,并实现生产流程的集中控制和自动控制。其体积小、重量轻、安装方便、无转动部件、不需润滑、维修方便、工作效率高、消耗电能少。广泛应用于矿山、冶金、煤炭、轻工、化工、电力、机械、食品等行业。订购热线:13598622605

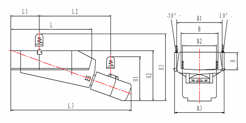
GZ1-9电磁振动给料机外形尺寸图:

1.jpg

GZ1-9电磁振动给料机安装尺寸表:

GZ10-GZ11电磁振动给料机外形尺寸图:

20140402105537_14100.gif


分享到